Monitöre görüntü gelmiyor

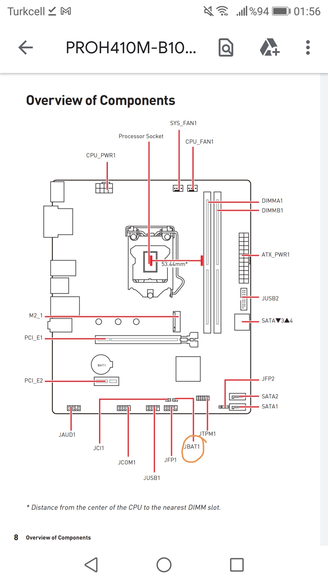
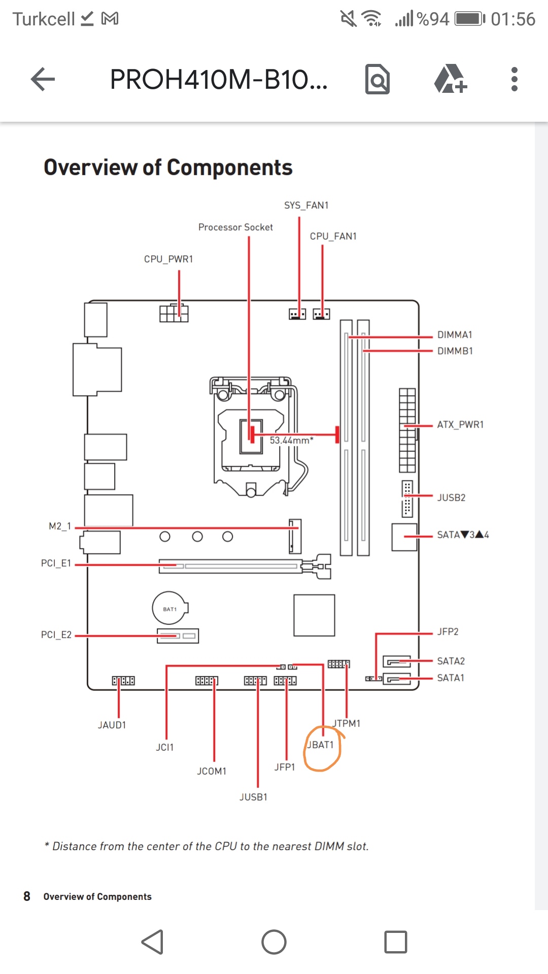
Şuan bilgisayarda değilim normalde fotoğraf üstünde yerini gösteriyorum. Sistemi gene komple kapatın. PSU kablosunu çıkarın. Üstünde USB bellek falan aktif olmasın. Anakartın üstünde 2 pinli JBAT 1 olacak. Ona tornavida ile 5-10 saniye aynı anda değdirin. Sonra güç kablosunu takıp sistemi açın.
Mesajlar otomatik olarak birleştirildi:

Bu işlemi yaparken istersen RAM'leri de çıkarıp öyle yap.
 
Şuan bilgisayarda değilim normalde fotoğraf üstünde yerini gösteriyorum. Sistemi gene komple kapatın. PSU kablosunu çıkarın. Üstünde USB bellek falan aktif olmasın. Anakartın üstünde 2 pinli JBAT 1 olacak. Ona tornavida ile 5-10 saniye aynı anda değdirin. Sonra güç kablosunu takıp sistemi açın.
Mesajlar otomatik olarak birleştirildi:

Bu işlemi yaparken istersen RAM'leri de çıkarıp öyle yap.
Arıyorum hocam.
 
Hocam Bat1 buldum JBAT olanı atıyorum.
Mesajlar otomatik olarak birleştirildi:


Ama hocam ekran kartının altında ve tam yeri belli olmuyor.
Aha şu hocam.
IMG_20230108_015706.jpg
 
Tamamdır hocam buldum şimdi sırasıyla nasıl yapayım?
Önce kasayı komple güçten kes, sonra PSU kablosunu çıkar ondan sonra RAM'leri çıkar. RAM'leri çıkardıktan sonra tornavida yardımı ile JBAT 1 yazan 2 pinli yere 2 pine aynı anda 5-10 saniye değdir. Ondan sonra RAM'leri tak ve sistemi çalıştır.
 
Üst tarafta yazmışsınız pardon hocam hemen yapıyorum ramleri söküp
Mesajlar otomatik olarak birleştirildi:

Önce kasayı komple güçten kes, sonra PSU kablosunu çıkar ondan sonra RAM'leri çıkar. RAM'leri çıkardıktan sonra tornavida yardımı ile JBAT 1 yazan 2 pinli yere 2 pine aynı anda 5-10 saniye değdir. Ondan sonra RAM'leri tak ve sistemi çalıştır.
Hemen deniyorum hocam.
Mesajlar otomatik olarak birleştirildi:

Önce kasayı komple güçten kes, sonra PSU kablosunu çıkar ondan sonra RAM'leri çıkar. RAM'leri çıkardıktan sonra tornavida yardımı ile JBAT 1 yazan 2 pinli yere 2 pine aynı anda 5-10 saniye değdir. Ondan sonra RAM'leri tak ve sistemi çalıştır.
Demiyorum hocam şuanda
Mesajlar otomatik olarak birleştirildi:

Önce kasayı komple güçten kes, sonra PSU kablosunu çıkar ondan sonra RAM'leri çıkar. RAM'leri çıkardıktan sonra tornavida yardımı ile JBAT 1 yazan 2 pinli yere 2 pine aynı anda 5-10 saniye değdir. Ondan sonra RAM'leri tak ve sistemi çalıştır.
Hocam hala sinyal yok hatası alıyorum.
 
Son düzenleme:
Üst tarafta yazmışsınız pardon hocam hemen yapıyorum ramleri söküp
Mesajlar otomatik olarak birleştirildi:


Hemen deniyorum hocam.
Mesajlar otomatik olarak birleştirildi:


Demiyorum hocam şuanda
Mesajlar otomatik olarak birleştirildi:


Hocam hala sinyal yok hatası alıyorum.
Görüntü kablon ekran kartına takılı dimi? Aklıma başka yol gelmiyor maalesef hocam. Gene istersen RAM'lerden sadece 1 tanesini tak.
 
@Emmree sanırım hocam başka çözüm yolu kalmadı şayet İsterseniz iletişim numaramı yazayım son olarak bir kasayı göstereyim hatalı olan bir şey varsa söylersiniz bunu bana Yapabileceğiniz en büyük iyilik olacak.
Mesajlar otomatik olarak birleştirildi:

Görüntü kablon ekran kartına takılı dimi? Aklıma başka yol gelmiyor maalesef hocam. Gene istersen RAM'lerden sadece 1 tanesini tak.
Takılı hocam
Mesajlar otomatik olarak birleştirildi:

@Emmree sanırım hocam başka çözüm yolu kalmadı şayet İsterseniz iletişim numaramı yazayım son olarak bir kasayı göstereyim hatalı olan bir şey varsa söylersiniz bunu bana Yapabileceğiniz en büyük iyilik olacak.
Mesajlar otomatik olarak birleştirildi:


Takılı hocam
Yani ranlerden bir tanesi takılı.
 
@Emmree sanırım hocam başka çözüm yolu kalmadı şayet İsterseniz iletişim numaramı yazayım son olarak bir kasayı göstereyim hatalı olan bir şey varsa söylersiniz bunu bana Yapabileceğiniz en büyük iyilik olacak.
Mesajlar otomatik olarak birleştirildi:


Takılı hocam
Hocam maalesef montaj hakkında tam bilgim yok sizi yanlış yönlendirmek istemem.
Mesajlar otomatik olarak birleştirildi:

@Emmree sanırım hocam başka çözüm yolu kalmadı şayet İsterseniz iletişim numaramı yazayım son olarak bir kasayı göstereyim hatalı olan bir şey varsa söylersiniz bunu bana Yapabileceğiniz en büyük iyilik olacak.
Mesajlar otomatik olarak birleştirildi:


Takılı hocam
Mesajlar otomatik olarak birleştirildi:


Yani ranlerden bir tanesi takılı.
Diğerini takmayı dener misin?
 
Yeni mesajlar Yeni Konu Aç  

   

SON KONULAR

Forum istatistikleri

Konular
1,201,184
Mesajlar
10,845,570
Üyeler
190,871
Son üye
hoke
Geri
Top